Stud Bolts for Flanged Connections

Studs, Studding, All threaded Rod

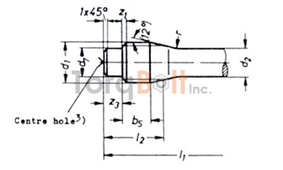
Stud bolt is basically a threaded rod. Double end stud bolt has threads on both the ends it can fasten two flanges more effectively. They are mostly used while attaching flanges or pipes together. Length of thread varies according to requirement. Stud Bolts are available in Tap End, Full Threaded, Double threaded and Partial Threaded configurations

Type: Stud Bolts can be Manufactured in Full Thread, Half Thread, Tap End and Double Side Thread Configurations.
Manufacturing Process Adopted are Cold drawn, Roll Threaded, Cut Threaded & Bar Stock Machined. Studs without Threading, Forged Blanks, Bar cut pieces can be manufactured on request along with CNC machined Process.

Size Range: Metric Size Range from M1.0 upto M150 in accordance with ANSI/ASME B1.13M Edition 2012.
Imperial size Range from #0000 upto #12 and 1/4" upto 6" in accordance with ANSI/ASME B1.1 Edition 2012.

Stud Bolt Types

ASME Stud Bolts Specifications

DIN Stud Bolts Specifications

BS Stud Bolts Specifications

IS Stud Bolts Specifications

Stud Bolt Materials

  1. Material Grades

Material Grades

  • Carbon Steel 1018, 1020, 1040, 1045
  • Alloy Steel 4130, 4140, 4142, 4340, 6150, 8620
  • Chrome Moly Steel 25CRMO4, 21CRMOV5-7, 42CRMO4, 42CRMOV4-6
  • Austenitic Stainless Steel 301, 302, 303, 304, 316, 317, 321, 310, 309, 329, 347 & 348
  • Martensitic / Ferritic Stainless Steel 403, 405, 409, 410, 414, 416, 418, 420 & 430F
  • Super Austenitic Stainless Steel 904l, 254-Smo, 253Ma, Alloy 20, Sanicro Alloy 28, Al-6xn, 310Moln, Alloy 230, Alloy 330 , Alloy 333
  • Precipitation Hardening Stainless Steel Alloy A-286, A453 GRADE 660, 17-4 PH, 15-5 Ph , 15-7 Ph, 17-7 Ph
  • Nitronic 50 , 60 ( xm-19), 30, 32, 33, 40
  • Duplex 32205 (F60), 31803 (F51);Super Duplex 32750 ( F53) , 32760 (Zeron 100), (F55), 329, Ferralium 255, 255FG46
  • Inconel 600, 601, 602, 603, 617, 625, 686, 702, 713, 718, 725, 738, 740, 783, X-750, 701, 901, 939
  • Incoloy 800, 800H, 800HT, 825, 925, 926, 945
  • Hastelloy C276, C22,C-2000,C4,B, B2, B3, G30, X, N
  • Monel Alloy 400, K-500, R405
  • Nimonic Alloy 80A, 90, 105, 115, 263
  • Titanium Grade1, 2, 3, 4, 5, 6, 7,8, 9, 11, 12, 19,23
  • Nickel 200, 201
  • Copper Nickel 70/30, 90/10
  • Silicon Bronze C651, C655, C656
  • Cobalt Alloys Invar 36 / 42, Waspalloy, MP35N / 159, Stellite 3/6/12/21, Rene 41, L605
  • Molybdenum Grade 361/363/364/365
  • Durehete 900/950/1055, JETHETE X19/M152, Hiduron 130/190, Tantalum, Zircoloy, Aluminium Alloy 2024, 6061, 7075