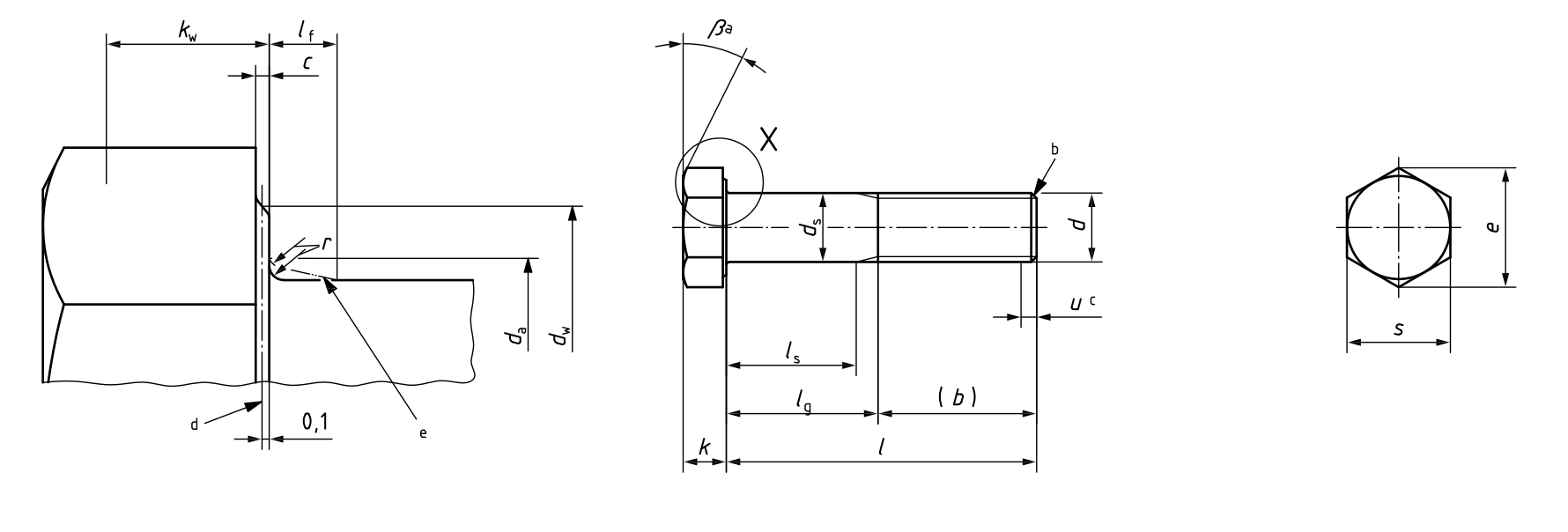
ISO 4014 Head Bolts

ISO 4014 Equivalents

DIN 931 PN 82101 UNI 5737 CSN 4014

ISO 4014 Hex Bolts

ISO 4014 Hex Bolts Dimensions

Thread, d Pa b ref. c da
max.
ds dw e lf
max.
k kwe r
min.
s
b c d max. min. nom. =
max.
Product grade Product grade Product grade nom. Product grade Product grade nom. =
max.
Product grade
A
min.
B
min.
A
min.
B
min.
A
min.
B
min.
A
max.
A
min.
B
max.
B
min.
A
min.
B
min.
A
min.
B
min.
M1,6 0,35 9 15 28 0,25 0,10 2 1,60 1,46 1,35 2,27 2,30 3,41 3,28 0,6 1,1 1,225 975 1,3 0,9 0,68 0,63 0,1 3,20 3,02 2,90
M2 0,4 10 16 29 0,25 0,10 2,6 2,00 1,86 1,75 3,07 2,95 4,32 4,18 0,8 1,4 1,525 1,275 1,6 1,2 0,89 0,84 0,1 4,00 3,82 3,70
M2,5 0,45 11 17 30 0,25 0,10 3,1 2,50 2,36 2,25 4,07 3,95 5,45 5,31 1 1,7 1,825 1,575 1,9 1,5 1,10 1,05 0,1 5,00 4,82 4,70
M3 0,5 12 18 31 0,40 0,15 3,6 3,00 2,86 2,75 4,57 4,45 6,01 5,88 1 2 2,125 1,875 2,2 1,8 1,31 1,26 0,1 5,50 5,32 5,20
M3,5 0,6 13 19 32 0,40 0,15 4,1 3,50 3,32 3,20 5,07 4,95 6,58 6,44 1 2,4 2,525 2,275 2,6 2,2 1,59 1,54 0,1 6,00 5,82 5,70
M4 0,7 14 20 33 0,40 0,15 4,7 4,00 3,82 3,70 5,88 5,74 7,66 7,50 1,2 2,8 2,925 2,675 3,0 2,6 1,87 1,82 0,2 7,00 6,78 6,64
M5 0,8 16 22 35 0,50 0,15 5,7 5,00 4,82 4,70 6,88 6,74 8,79 8,63 1,2 3,5 3,65 3,35 3,74 3,26 2,35 2,28 0,2 8,00 7,78 7,64
M6 1 18 24 37 0,50 0,15 6,8 6,00 5,82 5,70 8,88 8,74 11,05 10,89 1,4 4 4,15 3,85 4,24 3,76 2,70 2,63 0,25 10,00 9,78 9,64
M8 1,25 22 28 41 0,60 0,15 9,2 8,00 7,78 7,64 11,63 11,47 14,38 14,20 2 5,3 5,45 5,15 5,54 5,06 3,61 3,54 0,4 13,00 12,73 12,57
M10 1,5 26 32 45 0,60 0,15 11,2 10,00 9,78 9,64 14,63 14,47 17,77 17,59 2 6,4 6,58 6,22 6,69 6,11 4,35 4,28 0,4 16,00 15,73 15,57
M12 1,75 30 36 49 0,60 0,15 13,7 12,00 11,73 11,57 16,63 16,47 20,03 19,85 3 7,5 7,68 7,32 7,79 7,21 5,12 5,05 0,6 18,00 17,73 17,57
M14 2 34 40 53 0,60 0,15 15,7 14,00 13,73 13,57 19,64 19,15 23,36 22,78 3 8,8 8,98 8,62 9,09 8,51 6,03 5,96 0,6 21,00 20,67 20,16
M16 2 38 44 57 0,8 0,2 17,7 16,00 15,73 15,57 22,49 22 26,75 26,17 3 10 10,18 9,82 10,29 9,71 6,87 6,8 0,6 24,00 23,67 23,16
M18 2,5 42 48 61 0,8 0,2 20,2 18,00 17,73 17,57 25,34 24,85 30,14 29,56 3 11,5 11,715 11,285 11,85 11,15 7,9 7,81 0,6 27,00 26,67 26,16
M20 2,5 46 52 65 0,8 0,2 22,4 20,00 19,67 19,48 28,19 27,7 33,53 32,95 4 12,5 12,715 12,285 12,85 12,15 8,6 8,51 0,8 30,00 29,67 29,16
M22 2,5 50 56 69 0,8 0,2 24,4 22,0 21,67 21,48 31,71 31,35 37,72 37,29 4 14 14,215 13,785 14,35 13,65 9,65 9,56 0,8 34,00 33,38 33,00
M24 3 54 60 73 0,8 0,2 26,4 24,00 23,67 23,48 33,61 33,25 39,98 39,55 4 15 15,215 14,785 15,35 14,65 10,35 10,26 0,8 36,00 35,38 35,00
M27 3 60 66 79 0,8 0,2 30,4 27,00 26,48 38 45,2 6 17 17,35 13,65 11,66 1 41 40
M30 3,5 66 72 85 0,8 0,2 33,4 30,00 29,48 42,75 50,85 6 18,7 19,12 18,28 12,8 1 46 45
M33 3,5 78 91 0,8 0,2 36,4 33,00 32,38 46,55 55,37 6 21 21,42 20,58 14,41 1 50 49
M36 4 84 97 0,8 0,2 39,4 36,00 35,38 51,11 60,79 6 22,5 22,92 22,08 15,46 1 55,0 53,8
M39 4 90 103 1,0 0,3 42,4 39,00 38,38 55,86 66,44 6 25 25,42 24,58 17,21 1 60,0 58,8
M42 4,5 96 109 1,0 0,3 45,6 42,00 41,38 59,95 71,3 8 26 26,42 25,58 17,91 1,2 65,0 63,1
M45 4,5 102 115 1,0 0,3 48,6 45,00 44,38 64,7 76,95 8 28 28,42 27,58 19,31 1,2 70,0 68,1
M48 5 108 121 1,0 0,3 52,6 48,00 47,38 69,45 82,6 10 30 30,42 29,58 20,71 1,6 75,0 73,1
M52 5 116 129 1,0 0,3 56,6 52,00 51,26 74,2 88,25 10 33 33,5 32,5 22,75 1,6 80,0 78,1
M56 5,5 137 1,0 0,3 63 56,00 55,26 78,66 93,56 12 35 35,5 34,5 24,15 2 85,0 82,8
M60 5,5 145 1,0 0,3 67 60,00 59,26 83,41 99,21 12 38 38,5 37,5 26,25 2 90,0 87,8
M64 6 153 1,0 0,3 71 64,00 63,26 88,16 104,86 13 40 40,5 39,5 27,65 2 95,0 92,8

ISO 4014 Hex Bolts Length Tolerances

Thread, d
nom.
l
Product grade
A
min.
A
max.
B
min.
B
max.
12 11,65 12,35 - -
16 15,65 16,35 - -
20 19,58 20,42 18,95 21,05
25 24,58 25,42 23,95 26,05
30 29,58 30,42 28,95 31,05
35 34,5 35,5 33,75 36,25
40 39,5 40,5 38,75 41,25
45 44,5 45,5 43,75 46,25
50 49,5 50,5 48,75 51,25
55 54,4 55,6 53,5 56,5
60 59,4 60,6 58,5 61,5
65 64,4 65,6 63,5 66,5
70 69,4 70,6 68,5 71,5
80 79,4 80,6 78,5 81,5
90 89,3 90,7 88,25 91,75
100 99,3 100,7 98,25 101,75
110 109,3 110,7 108,25 111,75
120 119,3 120,7 118,25 121,75
130 129,2 130,8 128 132
140 139,2 140,8 138 142
150 149,2 150,8 148 152
160 158 162
180 178 182
200 197,7 202,3
220 217,7 222,3
240 237,7 242,3
260 257,4 262,6
280 277,4 282,6
300 297,4 302,6
320 317,15 322,85
340 337,15 342,85
360 357,15 362,85
380 377,15 382,85
400 397,15 402,85
420 416,85 423,15
440 436,85 443,15
460 456,85 463,15
480 476,85 483,15
500 496,85 503,15

ISO 4014 Hex Bolts Grip Gaging Lengths

Thread, d
nom.
l M1,6 M2 M2,5 M3 M3,5 M4 M5 M6 M8 M10 M12 M14 M16 M18 M20 M22 M24 M27 M30 M33 M36 M39 M42 M45 M48 M52 M56 M60 M64
Product grade ls and lg
A
min.
A
max.
B
min.
B
max.
ls
min.
lg
max.
ls
min.
lg
max.
ls
min.
lg
max.
ls
min.
lg
max.
ls
min.
lg
max.
ls
min.
lg
max.
ls
min.
lg
max.
ls
min.
lg
max.
ls
min.
lg
max.
ls
min.
lg
max.
ls
min.
lg
max.
ls
min.
lg
max.
ls
min.
lg
max.
ls
min.
lg
max.
ls
min.
lg
max.
ls
min.
lg
max.
ls
min.
lg
max.
ls
min.
lg
max.
ls
min.
lg
max.
ls
min.
lg
max.
ls
min.
lg
max.
ls
min.
lg
max.
ls
min.
lg
max.
ls
min.
lg
max.
ls
min.
lg
max.
ls
min.
lg
max.
ls
min.
lg
max.
ls
min.
lg
max.
ls
min.
lg
max.
12 11,65 12,35 1,2 3 Full Thread Full Thread Full Thread Full Thread Full Thread Full Thread Full Thread Full Thread Full Thread Full Thread Full Thread Full Thread Full Thread Full Thread Full Thread Full Thread Full Thread Full Thread Full Thread Full Thread Full Thread Full Thread Full Thread Full Thread Full Thread Full Thread Full Thread Full Thread Full Thread Full Thread Full Thread Full Thread Full Thread Full Thread Full Thread Full Thread Full Thread Full Thread Full Thread Full Thread Full Thread Full Thread Full Thread Full Thread Full Thread Full Thread Full Thread Full Thread Full Thread Full Thread Full Thread Full Thread Full Thread Full Thread Full Thread Full Thread
16 15,65 16,35 5,2 7 4 6 2,75 5 Full Thread Full Thread Full Thread Full Thread Full Thread Full Thread Full Thread Full Thread Full Thread Full Thread Full Thread Full Thread Full Thread Full Thread Full Thread Full Thread Full Thread Full Thread Full Thread Full Thread Full Thread Full Thread Full Thread Full Thread Full Thread Full Thread Full Thread Full Thread Full Thread Full Thread Full Thread Full Thread Full Thread Full Thread Full Thread Full Thread Full Thread Full Thread Full Thread Full Thread Full Thread Full Thread Full Thread Full Thread Full Thread Full Thread Full Thread Full Thread Full Thread Full Thread Full Thread Full Thread
20 19,58 20,42 18,95 21,05 . . . . . . 8 10 6,75 9 5,5 8 4 7 Full Thread Full Thread Full Thread Full Thread Full Thread Full Thread Full Thread Full Thread Full Thread Full Thread Full Thread Full Thread Full Thread Full Thread Full Thread Full Thread Full Thread Full Thread Full Thread Full Thread Full Thread Full Thread Full Thread Full Thread Full Thread Full Thread Full Thread Full Thread Full Thread Full Thread Full Thread Full Thread Full Thread Full Thread Full Thread Full Thread Full Thread Full Thread Full Thread Full Thread Full Thread Full Thread Full Thread Full Thread Full Thread Full Thread Full Thread Full Thread
25 24,58 25,42 23,95 26,05 . . . . . . . . . . . . 11,75 14 10,5 13 9 12 7,5 11 5 9 Full Thread Full Thread Full Thread Full Thread Full Thread Full Thread Full Thread Full Thread Full Thread Full Thread Full Thread Full Thread Full Thread Full Thread Full Thread Full Thread Full Thread Full Thread Full Thread Full Thread Full Thread Full Thread Full Thread Full Thread Full Thread Full Thread Full Thread Full Thread Full Thread Full Thread Full Thread Full Thread Full Thread Full Thread Full Thread Full Thread Full Thread Full Thread Full Thread Full Thread Full Thread Full Thread Full Thread Full Thread
30 29,58 30,42 28,95 31,05 . . . . . . . . . . . . . . . . . . 15,5 18 14 17 12,5 16 10 14 7 12 Full Thread Full Thread Full Thread Full Thread Full Thread Full Thread Full Thread Full Thread Full Thread Full Thread Full Thread Full Thread Full Thread Full Thread Full Thread Full Thread Full Thread Full Thread Full Thread Full Thread Full Thread Full Thread Full Thread Full Thread Full Thread Full Thread Full Thread Full Thread Full Thread Full Thread Full Thread Full Thread Full Thread Full Thread Full Thread Full Thread Full Thread Full Thread Full Thread Full Thread Full Thread Full Thread
35 34,5 35,5 33,75 36,25 . . . . . . . . . . . . . . . . . . . . . . . . 19 22 17,5 21 15 19 12 17 Full Thread Full Thread Full Thread Full Thread Full Thread Full Thread Full Thread Full Thread Full Thread Full Thread Full Thread Full Thread Full Thread Full Thread Full Thread Full Thread Full Thread Full Thread Full Thread Full Thread Full Thread Full Thread Full Thread Full Thread Full Thread Full Thread Full Thread Full Thread Full Thread Full Thread Full Thread Full Thread Full Thread Full Thread Full Thread Full Thread Full Thread Full Thread Full Thread Full Thread Full Thread Full Thread
40 39,5 40,5 38,75 41,25 . . . . . . . . . . . . . . . . . . . . . . . . . . . . . . 22,5 26 20 24 17 22 11,75 18 Full Thread Full Thread Full Thread Full Thread Full Thread Full Thread Full Thread Full Thread Full Thread Full Thread Full Thread Full Thread Full Thread Full Thread Full Thread Full Thread Full Thread Full Thread Full Thread Full Thread Full Thread Full Thread Full Thread Full Thread Full Thread Full Thread Full Thread Full Thread Full Thread Full Thread Full Thread Full Thread Full Thread Full Thread Full Thread Full Thread Full Thread Full Thread Full Thread Full Thread
45 44,5 45,5 43,75 46,25 . . . . . . . . . . . . . . . . . . . . . . . . . . . . . . . . . . . . 25 29 22 27 16,75 23 11,5 19 Full Thread Full Thread Full Thread Full Thread Full Thread Full Thread Full Thread Full Thread Full Thread Full Thread Full Thread Full Thread Full Thread Full Thread Full Thread Full Thread Full Thread Full Thread Full Thread Full Thread Full Thread Full Thread Full Thread Full Thread Full Thread Full Thread Full Thread Full Thread Full Thread Full Thread Full Thread Full Thread Full Thread Full Thread Full Thread Full Thread Full Thread Full Thread
50 49,5 50,5 48,75 51,25 . . . . . . . . . . . . . . . . . . . . . . . . . . . . . . . . . . . . 30 34 27 32 21,75 28 16,5 24 11,25 20 Full Thread Full Thread Full Thread Full Thread Full Thread Full Thread Full Thread Full Thread Full Thread Full Thread Full Thread Full Thread Full Thread Full Thread Full Thread Full Thread Full Thread Full Thread Full Thread Full Thread Full Thread Full Thread Full Thread Full Thread Full Thread Full Thread Full Thread Full Thread Full Thread Full Thread Full Thread Full Thread Full Thread Full Thread Full Thread Full Thread
55 54,4 55,6 53,5 56,5 . . . . . . . . . . . . . . . . . . . . . . . . . . . . . . . . . . . . . . . . . . 32 37 26,75 33 21,5 29 16,25 25 Full Thread Full Thread Full Thread Full Thread Full Thread Full Thread Full Thread Full Thread Full Thread Full Thread Full Thread Full Thread Full Thread Full Thread Full Thread Full Thread Full Thread Full Thread Full Thread Full Thread Full Thread Full Thread Full Thread Full Thread Full Thread Full Thread Full Thread Full Thread Full Thread Full Thread Full Thread Full Thread Full Thread Full Thread Full Thread Full Thread
60 59,4 60,6 58,5 61,5 . . . . . . . . . . . . . . . . . . . . . . . . . . . . . . . . . . . . . . . . . . 37 42 31,75 38 26,5 34 21,25 30 16 26 Full Thread Full Thread Full Thread Full Thread Full Thread Full Thread Full Thread Full Thread Full Thread Full Thread Full Thread Full Thread Full Thread Full Thread Full Thread Full Thread Full Thread Full Thread Full Thread Full Thread Full Thread Full Thread Full Thread Full Thread Full Thread Full Thread Full Thread Full Thread Full Thread Full Thread Full Thread Full Thread Full Thread Full Thread
65 64,4 65,6 63,5 66,5 . . . . . . . . . . . . . . . . . . . . . . . . . . . . . . . . . . . . . . . . . . . . . . . . 36,75 43 31,5 39 26,25 35 21 31 17 27 Full Thread Full Thread Full Thread Full Thread Full Thread Full Thread Full Thread Full Thread Full Thread Full Thread Full Thread Full Thread Full Thread Full Thread Full Thread Full Thread Full Thread Full Thread Full Thread Full Thread Full Thread Full Thread Full Thread Full Thread Full Thread Full Thread Full Thread Full Thread Full Thread Full Thread Full Thread Full Thread
70 69,4 70,6 68,5 71,5 . . . . . . . . . . . . . . . . . . . . . . . . . . . . . . . . . . . . . . . . . . . . . . . . 41,75 48 36,5 44 31,25 40 26 36 22 32 15,5 28 Full Thread Full Thread Full Thread Full Thread Full Thread Full Thread Full Thread Full Thread Full Thread Full Thread Full Thread Full Thread Full Thread Full Thread Full Thread Full Thread Full Thread Full Thread Full Thread Full Thread Full Thread Full Thread Full Thread Full Thread Full Thread Full Thread Full Thread Full Thread Full Thread Full Thread
80 79,4 80,6 78,5 81,5 . . . . . . . . . . . . . . . . . . . . . . . . . . . . . . . . . . . . . . . . . . . . . . . . 51,75 58 46,5 54 41,25 50 36 46 32 42 25,5 38 21,5 34 Full Thread Full Thread Full Thread Full Thread Full Thread Full Thread Full Thread Full Thread Full Thread Full Thread Full Thread Full Thread Full Thread Full Thread Full Thread Full Thread Full Thread Full Thread Full Thread Full Thread Full Thread Full Thread Full Thread Full Thread Full Thread Full Thread Full Thread Full Thread
90 89,3 90,7 88,25 91,75 . . . . . . . . . . . . . . . . . . . . . . . . . . . . . . . . . . . . . . . . . . . . . . . . . . . . . . 56,5 64 51,25 60 46 56 42 52 35,5 48 31,5 44 27,5 40 21 36 Full Thread Full Thread Full Thread Full Thread Full Thread Full Thread Full Thread Full Thread Full Thread Full Thread Full Thread Full Thread Full Thread Full Thread Full Thread Full Thread Full Thread Full Thread Full Thread Full Thread Full Thread Full Thread Full Thread Full Thread
100 99,3 100,7 98,25 101,75 . . . . . . . . . . . . . . . . . . . . . . . . . . . . . . . . . . . . . . . . . . . . . . . . . . . . . . 66,5 74 61,25 70 56 66 52 62 45,5 58 41,5 54 37,5 50 31 46 25 40 Full Thread Full Thread Full Thread Full Thread Full Thread Full Thread Full Thread Full Thread Full Thread Full Thread Full Thread Full Thread Full Thread Full Thread Full Thread Full Thread Full Thread Full Thread Full Thread Full Thread Full Thread Full Thread
110 109,3 110,7 108,25 111,75 . . . . . . . . . . . . . . . . . . . . . . . . . . . . . . . . . . . . . . . . . . . . . . . . . . . . . . . . . . . . 71,25 80 66 76 62 72 55,5 68 51,5 64 47,5 60 41 56 35 50 26,5 44 Full Thread Full Thread Full Thread Full Thread Full Thread Full Thread Full Thread Full Thread Full Thread Full Thread Full Thread Full Thread Full Thread Full Thread Full Thread Full Thread Full Thread Full Thread Full Thread Full Thread
120 119,3 120,7 118,25 121,75 . . . . . . . . . . . . . . . . . . . . . . . . . . . . . . . . . . . . . . . . . . . . . . . . . . . . . . . . . . . . 81,25 90 76 86 72 82 65,5 78 61,5 74 57,5 70 51 66 45 60 36,5 54 Full Thread Full Thread Full Thread Full Thread Full Thread Full Thread Full Thread Full Thread Full Thread Full Thread Full Thread Full Thread Full Thread Full Thread Full Thread Full Thread Full Thread Full Thread Full Thread Full Thread
130 129,2 130,8 128 132 . . . . . . . . . . . . . . . . . . . . . . . . . . . . . . . . . . . . . . . . . . . . . . . . . . . . . . . . . . . . . . . . . . 80 90 76 86 69,5 82 65,5 78 61,5 74 55 70 49 64 40,5 58 34,5 52 Full Thread Full Thread Full Thread Full Thread Full Thread Full Thread Full Thread Full Thread Full Thread Full Thread Full Thread Full Thread Full Thread Full Thread Full Thread Full Thread Full Thread Full Thread
140 139,2 140,8 138 142 . . . . . . . . . . . . . . . . . . . . . . . . . . . . . . . . . . . . . . . . . . . . . . . . . . . . . . . . . . . . . . . . . . 90 100 86 96 79,5 92 75,5 88 71,5 84 65 80 59 74 50,5 68 44,5 62 36 56 Full Thread Full Thread Full Thread Full Thread Full Thread Full Thread Full Thread Full Thread Full Thread Full Thread Full Thread Full Thread Full Thread Full Thread Full Thread Full Thread
150 149,2 150,8 148 152 . . . . . . . . . . . . . . . . . . . . . . . . . . . . . . . . . . . . . . . . . . . . . . . . . . . . . . . . . . . . . . . . . . . . . . . . 96 106 89,5 102 85,5 98 81,5 94 75 90 69 84 60,5 78 54,5 72 46 66 40 60 Full Thread Full Thread Full Thread Full Thread Full Thread Full Thread Full Thread Full Thread Full Thread Full Thread Full Thread Full Thread Full Thread Full Thread
160 158 162 . . . . . . . . . . . . . . . . . . . . . . . . . . . . . . . . . . . . . . . . . . . . . . . . . . . . . . . . . . . . . . . . . . . . . . . . 106 116 99,5 112 95,5 108 91,5 104 85 100 79 94 70,5 88 64,5 82 56 76 50 70 41,5 64 Full Thread Full Thread Full Thread Full Thread Full Thread Full Thread Full Thread Full Thread Full Thread Full Thread Full Thread Full Thread
180 178 182 . . . . . . . . . . . . . . . . . . . . . . . . . . . . . . . . . . . . . . . . . . . . . . . . . . . . . . . . . . . . . . . . . . . . . . . . . . . . . . 119,5 132 115,5 128 111,5 124 105 120 99 114 90,5 108 84,5 102 76 96 70 90 61,5 84 55,5 78 47 72 Full Thread Full Thread Full Thread Full Thread Full Thread Full Thread Full Thread Full Thread
200 197,7 202,3 . . . . . . . . . . . . . . . . . . . . . . . . . . . . . . . . . . . . . . . . . . . . . . . . . . . . . . . . . . . . . . . . . . . . . . . . . . . . . . . . . . . . 135,5 148 131,5 144 125 140 119 134 110,5 128 104,5 122 96 116 90 110 81,5 104 75,5 98 67 92 59 84 Full Thread Full Thread Full Thread Full Thread Full Thread Full Thread
220 217,7 222,3 . . . . . . . . . . . . . . . . . . . . . . . . . . . . . . . . . . . . . . . . . . . . . . . . . . . . . . . . . . . . . . . . . . . . . . . . . . . . . . . . . . . . . . . . . . 138,5 151 132 147 126 141 117,5 135 111,5 129 103 123 97 117 88,5 111 82,5 105 74 99 66 91 55,5 83 Full Thread Full Thread Full Thread Full Thread
240 237,7 242,3 . . . . . . . . . . . . . . . . . . . . . . . . . . . . . . . . . . . . . . . . . . . . . . . . . . . . . . . . . . . . . . . . . . . . . . . . . . . . . . . . . . . . . . . . . . . . . . . . 152 167 146 161 137,5 155 131,5 149 123 143 117 137 108,5 131 102,5 125 94 119 86 111 75,5 103 67,5 95 Full Thread Full Thread
260 257,4 262,6 . . . . . . . . . . . . . . . . . . . . . . . . . . . . . . . . . . . . . . . . . . . . . . . . . . . . . . . . . . . . . . . . . . . . . . . . . . . . . . . . . . . . . . . . . . . . . . . . . . . . . . 166 181 157,5 175 151,5 169 143 163 137 157 128,5 151 122,5 145 114 139 106 131 95,5 123 87,5 115 77 107
280 277,4 282,6 . . . . . . . . . . . . . . . . . . . . . . . . . . . . . . . . . . . . . . . . . . . . . . . . . . . . . . . . . . . . . . . . . . . . . . . . . . . . . . . . . . . . . . . . . . . . . . . . . . . . . . . . . . . . 177,5 195 171,5 189 163 183 157 177 148,5 171 142,5 165 134 159 126 151 115,5 143 107,5 135 97 127
300 297,4 302,6 . . . . . . . . . . . . . . . . . . . . . . . . . . . . . . . . . . . . . . . . . . . . . . . . . . . . . . . . . . . . . . . . . . . . . . . . . . . . . . . . . . . . . . . . . . . . . . . . . . . . . . . . . . . . 197,5 215 191,5 209 183 203 177 197 168,5 191 162,5 185 154 179 146 171 135,5 163 127,5 155 117 147
320 317,15 322,85 . . . . . . . . . . . . . . . . . . . . . . . . . . . . . . . . . . . . . . . . . . . . . . . . . . . . . . . . . . . . . . . . . . . . . . . . . . . . . . . . . . . . . . . . . . . . . . . . . . . . . . . . . . . . . . . . . . 211,5 229 203 223 197 217 188,5 211 182,5 205 174 199 166 191 155,5 183 147,5 175 137 167
340 337,15 342,85 . . . . . . . . . . . . . . . . . . . . . . . . . . . . . . . . . . . . . . . . . . . . . . . . . . . . . . . . . . . . . . . . . . . . . . . . . . . . . . . . . . . . . . . . . . . . . . . . . . . . . . . . . . . . . . . . . . . . . . . . 233 243 217 237 208,5 231 202,5 225 194 219 186 211 175,5 203 167,5 195 157 187
360 357,15 362,85 . . . . . . . . . . . . . . . . . . . . . . . . . . . . . . . . . . . . . . . . . . . . . . . . . . . . . . . . . . . . . . . . . . . . . . . . . . . . . . . . . . . . . . . . . . . . . . . . . . . . . . . . . . . . . . . . . . . . . . . . 243 263 237 257 228,5 251 222,5 245 214 239 206 231 195,5 223 187,5 215 177 207
380 377,15 382,85 . . . . . . . . . . . . . . . . . . . . . . . . . . . . . . . . . . . . . . . . . . . . . . . . . . . . . . . . . . . . . . . . . . . . . . . . . . . . . . . . . . . . . . . . . . . . . . . . . . . . . . . . . . . . . . . . . . . . . . . . . . . . . . 257 277 248,5 271 242,5 265 234 259 226 251 215,5 243 207,5 235 197 227
400 397,15 402,85 . . . . . . . . . . . . . . . . . . . . . . . . . . . . . . . . . . . . . . . . . . . . . . . . . . . . . . . . . . . . . . . . . . . . . . . . . . . . . . . . . . . . . . . . . . . . . . . . . . . . . . . . . . . . . . . . . . . . . . . . . . . . . . . . . . . . 268,5 291 262,5 285 254 279 246 271 235,5 263 227,5 255 217 247
420 416,85 423,15 . . . . . . . . . . . . . . . . . . . . . . . . . . . . . . . . . . . . . . . . . . . . . . . . . . . . . . . . . . . . . . . . . . . . . . . . . . . . . . . . . . . . . . . . . . . . . . . . . . . . . . . . . . . . . . . . . . . . . . . . . . . . . . . . . . . . 288,5 311 282,5 305 274 299 266 291 255,5 283 247,5 275 237 267
440 436,85 443,15 . . . . . . . . . . . . . . . . . . . . . . . . . . . . . . . . . . . . . . . . . . . . . . . . . . . . . . . . . . . . . . . . . . . . . . . . . . . . . . . . . . . . . . . . . . . . . . . . . . . . . . . . . . . . . . . . . . . . . . . . . . . . . . . . . . . . 308,5 331 302,5 325 294 319 286 311 275,5 303 267,5 295 257 287
460 456,85 463,15 . . . . . . . . . . . . . . . . . . . . . . . . . . . . . . . . . . . . . . . . . . . . . . . . . . . . . . . . . . . . . . . . . . . . . . . . . . . . . . . . . . . . . . . . . . . . . . . . . . . . . . . . . . . . . . . . . . . . . . . . . . . . . . . . . . . . 314 339 . . . . . . 315,5 323 306 331 295,5 323 287,5 315 277 307
480 476,85 483,15 . . . . . . . . . . . . . . . . . . . . . . . . . . . . . . . . . . . . . . . . . . . . . . . . . . . . . . . . . . . . . . . . . . . . . . . . . . . . . . . . . . . . . . . . . . . . . . . . . . . . . . . . . . . . . . . . . . . . . . . . . . . . . . . . . . . . 334 359 . . . . . . 315,5 343 326 351 315,5 343 307,5 335 297 327
500 496,85 503,15 . . . . . . . . . . . . . . . . . . . . . . . . . . . . . . . . . . . . . . . . . . . . . . . . . . . . . . . . . . . . . . . . . . . . . . . . . . . . . . . . . . . . . . . . . . . . . . . . . . . . . . . . . . . . . . . . . . . . . . . . . . . . . . . . . . . . . . . . . . . . . . . . 335,5 363 . . . . . . . . . . . . 327,5 355 317 347

Equivalent Dimensional Standards

B18.2.3.1M Metric Hex Cap ScrewsISO 4017 Full Thread Hex Head Bolts
ASME B18.2.1 Askew Head Bolts
DIN 931 Hex Head Bolts

DIN 933 Hex Head Cap Screws