DIN 912 Socket Cap Screws

DIN 912 Socket Cap Screws
DIN 912 Socket Cap Screws

DIN 912 Socket Cap Screws Dimensions (From M1,6 to M64)

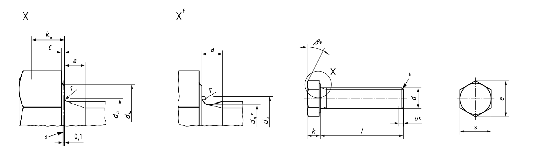
Thread, d Pa b ref. c da
max.
ds dw e lf
max.
k kwe r
min.
s
b c d max. min. nom. =
max.
Product grade Product grade Product grade nom. Product grade Product grade nom. =
max.
Product grade
A
min.
B
min.
A
min.
B
min.
A
min.
B
min.
A
max.
A
min.
B
max.
B
min.
A
min.
B
min.
A
min.
B
min.
M1,6 0,35 9 15 28 0,25 0,10 2 1,60 1,46 1,35 2,27 2,30 3,41 3,28 0,6 1,1 1,225 975 1,3 0,9 0,68 0,63 0,1 3,20 3,02 2,90
M2 0,4 10 16 29 0,25 0,10 2,6 2,00 1,86 1,75 3,07 2,95 4,32 4,18 0,8 1,4 1,525 1,275 1,6 1,2 0,89 0,84 0,1 4,00 3,82 3,70
M2,5 0,45 11 17 30 0,25 0,10 3,1 2,50 2,36 2,25 4,07 3,95 5,45 5,31 1 1,7 1,825 1,575 1,9 1,5 1,10 1,05 0,1 5,00 4,82 4,70
M3 0,5 12 18 31 0,40 0,15 3,6 3,00 2,86 2,75 4,57 4,45 6,01 5,88 1 2 2,125 1,875 2,2 1,8 1,31 1,26 0,1 5,50 5,32 5,20
M3,5 0,6 13 19 32 0,40 0,15 4,1 3,50 3,32 3,20 5,07 4,95 6,58 6,44 1 2,4 2,525 2,275 2,6 2,2 1,59 1,54 0,1 6,00 5,82 5,70
M4 0,7 14 20 33 0,40 0,15 4,7 4,00 3,82 3,70 5,88 5,74 7,66 7,50 1,2 2,8 2,925 2,675 3,0 2,6 1,87 1,82 0,2 7,00 6,78 6,64
M5 0,8 16 22 35 0,50 0,15 5,7 5,00 4,82 4,70 6,88 6,74 8,79 8,63 1,2 3,5 3,65 3,35 3,74 3,26 2,35 2,28 0,2 8,00 7,78 7,64
M6 1 18 24 37 0,50 0,15 6,8 6,00 5,82 5,70 8,88 8,74 11,05 10,89 1,4 4 4,15 3,85 4,24 3,76 2,70 2,63 0,25 10,00 9,78 9,64
M8 1,25 22 28 41 0,60 0,15 9,2 8,00 7,78 7,64 11,63 11,47 14,38 14,20 2 5,3 5,45 5,15 5,54 5,06 3,61 3,54 0,4 13,00 12,73 12,57
M10 1,5 26 32 45 0,60 0,15 11,2 10,00 9,78 9,64 14,63 14,47 17,77 17,59 2 6,4 6,58 6,22 6,69 6,11 4,35 4,28 0,4 16,00 15,73 15,57
M12 1,75 30 36 49 0,60 0,15 13,7 12,00 11,73 11,57 16,63 16,47 20,03 19,85 3 7,5 7,68 7,32 7,79 7,21 5,12 5,05 0,6 18,00 17,73 17,57
M14 2 34 40 53 0,60 0,15 15,7 14,00 13,73 13,57 19,64 19,15 23,36 22,78 3 8,8 8,98 8,62 9,09 8,51 6,03 5,96 0,6 21,00 20,67 20,16
M16 2 38 44 57 0,8 0,2 17,7 16,00 15,73 15,57 22,49 22 26,75 26,17 3 10 10,18 9,82 10,29 9,71 6,87 6,8 0,6 24,00 23,67 23,16
M18 2,5 42 48 61 0,8 0,2 20,2 18,00 17,73 17,57 25,34 24,85 30,14 29,56 3 11,5 11,715 11,285 11,85 11,15 7,9 7,81 0,6 27,00 26,67 26,16
M20 2,5 46 52 65 0,8 0,2 22,4 20,00 19,67 19,48 28,19 27,7 33,53 32,95 4 12,5 12,715 12,285 12,85 12,15 8,6 8,51 0,8 30,00 29,67 29,16
M22 2,5 50 56 69 0,8 0,2 24,4 22,0 21,67 21,48 31,71 31,35 37,72 37,29 4 14 14,215 13,785 14,35 13,65 9,65 9,56 0,8 34,00 33,38 33,00
M24 3 54 60 73 0,8 0,2 26,4 24,00 23,67 23,48 33,61 33,25 39,98 39,55 4 15 15,215 14,785 15,35 14,65 10,35 10,26 0,8 36,00 35,38 35,00
M27 3 60 66 79 0,8 0,2 30,4 27,00 26,48 38 45,2 6 17 17,35 13,65 11,66 1 41 40
M30 3,5 66 72 85 0,8 0,2 33,4 30,00 29,48 42,75 50,85 6 18,7 19,12 18,28 12,8 1 46 45
M33 3,5 78 91 0,8 0,2 36,4 33,00 32,38 46,55 55,37 6 21 21,42 20,58 14,41 1 50 49
M36 4 84 97 0,8 0,2 39,4 36,00 35,38 51,11 60,79 6 22,5 22,92 22,08 15,46 1 55,0 53,8
M39 4 90 103 1,0 0,3 42,4 39,00 38,38 55,86 66,44 6 25 25,42 24,58 17,21 1 60,0 58,8
M42 4,5 96 109 1,0 0,3 45,6 42,00 41,38 59,95 71,3 8 26 26,42 25,58 17,91 1,2 65,0 63,1
M45 4,5 102 115 1,0 0,3 48,6 45,00 44,38 64,7 76,95 8 28 28,42 27,58 19,31 1,2 70,0 68,1
M48 5 108 121 1,0 0,3 52,6 48,00 47,38 69,45 82,6 10 30 30,42 29,58 20,71 1,6 75,0 73,1
M52 5 116 129 1,0 0,3 56,6 52,00 51,26 74,2 88,25 10 33 33,5 32,5 22,75 1,6 80,0 78,1
M56 5,5 137 1,0 0,3 63 56,00 55,26 78,66 93,56 12 35 35,5 34,5 24,15 2 85,0 82,8
M60 5,5 145 1,0 0,3 67 60,00 59,26 83,41 99,21 12 38 38,5 37,5 26,25 2 90,0 87,8
M64 6 153 1,0 0,3 71 64,00 63,26 88,16 104,86 13 40 40,5 39,5 27,65 2 95,0 92,8

DIN 912 Socket Cap Screws Dimensions (From M68 to M160)

Thread Size d P
(a)
b (ref.) c da
max.
ds dw
min.
e
min.
k kw
min.
r
min.
s
b c min. max. max.
(nom.)
min. Nominal min. max. max.
(nom.)
min.
M68 6 148 161 0,4 1 75 68 67,26 92,9 110,51 43 42,5 43,5 29,8 2 100 97,8
M72 6 156 169 0,4 1 79 72 71,26 97,7 116,16 45 44,5 45,5 31,2 2 105 102,8
M76 6 164 177 0,4 1 83 76 75,26 102,1 121,81 48 47,5 48,5 33,2 2 110 107,8
M80 6 172 185 0,4 2 87 80 79,26 106,9 127,46 50 49,5 50,5 34,6 2 115 112,8
M90 6 192 205 0,4 2 97 90 89,13 121,1 144,08 57 56,4 57,6 40,3 2,5 130 127,5
M100 6 225 0,4 2 107 100 99,13 135,4 161,02 63 62,4 63,6 43,7 2,5 145 142,5
M110 6 245 0,4 2 117 110 109,13 144,9 172,32 69 68,4 69,6 47,9 2,5 155 152,5
M125 6 275 0,4 2 132 125 124 168,6 200,57 79 78,4 79,6 54,9 2,5 180 177,5
M140 6 305 0,4 2 147 140 139 185,6 220,8 88 87,3 88,7 61,1 2,5 200 195,4
M160 6 345 0,4 2 167 160 159 214,1 254,7 100 99,3 100,7 69,5 2,5 230 225,4

DIN 912 Socket Cap Screws Length Tolerances

Thread, d
nom.
l
Product grade
A
min.
A
max.
B
min.
B
max.
12 11,65 12,35 - -
16 15,65 16,35 - -
20 19,58 20,42 18,95 21,05
25 24,58 25,42 23,95 26,05
30 29,58 30,42 28,95 31,05
35 34,5 35,5 33,75 36,25
40 39,5 40,5 38,75 41,25
45 44,5 45,5 43,75 46,25
50 49,5 50,5 48,75 51,25
55 54,4 55,6 53,5 56,5
60 59,4 60,6 58,5 61,5
65 64,4 65,6 63,5 66,5
70 69,4 70,6 68,5 71,5
80 79,4 80,6 78,5 81,5
90 89,3 90,7 88,25 91,75
100 99,3 100,7 98,25 101,75
110 109,3 110,7 108,25 111,75
120 119,3 120,7 118,25 121,75
130 129,2 130,8 128 132
140 139,2 140,8 138 142
150 149,2 150,8 148 152
160 158 162
180 178 182
200 197,7 202,3
220 217,7 222,3
240 237,7 242,3
260 257,4 262,6
280 277,4 282,6
300 297,4 302,6
320 317,15 322,85
340 337,15 342,85
360 357,15 362,85
380 377,15 382,85
400 397,15 402,85
420 416,85 423,15
440 436,85 443,15
460 456,85 463,15
480 476,85 483,15
500 496,85 503,15