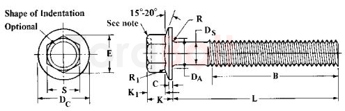
| Nominal Size and Thread Pitch | Body Diameter, Ds | Hex Width Across Flats, Sa | Hex Width Across Corners, Ea Min | Flange Diameter, DC | Overall Head Height, K | Hex Height, K1 Min, | Flange Edge Thickness, Cb Min | Flange Top Fillet Radius, R1 Max | Underhead Fillet | ||||
|---|---|---|---|---|---|---|---|---|---|---|---|---|---|
| Max | Min | Max | Min | Max | Min | Min, | Min | Max. Transition Dia, DA | Min Radius, R | ||||
| ASME B18.6.7M - M2 × 0.4 | 2 | 1.65 | 3 | 2.84 | 3.16 | 4.5 | 4.1 | 2.2 | 1.3 | 0.3 | 0.1 | 2.6 | 0.1 |
| ASME B18.6.7M - M2.5 × 0.45 | 2.5 | 2.12 | 3.2 | 3.04 | 3.39 | 5.4 | 5 | 2.7 | 1.6 | 0.3 | 0.2 | 3.1 | 0.1 |
| ASME B18.6.7M - M3 × 0.5 | 3 | 2.58 | 4 | 3.84 | 4.27 | 6.4 | 5.9 | 3.2 | 1.9 | 0.4 | 0.2 | 3.6 | 0.1 |
| ASME B18.6.7M - M3.5 × 0.6 | 3.5 | 3 | 5 | 4.82 | 5.36 | 7.5 | 6.9 | 3.8 | 2.4 | 0.5 | 0.2 | 4.1 | 0.1 |
| ASME B18.6.7M - M4 × 0.7 | 4 | 3.43 | 5.5 | 5.32 | 5.92 | 8.5 | 7.8 | 4.3 | 2.8 | 0.6 | 0.2 | 4.7 | 0.2 |
| ASME B18.6.7M - M5 × 0.8 | 5 | 4.36 | 7 | 6.78 | 7.55 | 10.6 | 9.8 | 5.4 | 3.5 | 0.7 | 0.3 | 5.7 | 0.2 |
| ASME B18.6.7M - M6 × 1 | 6 | 5.21 | 8 | 7.78 | 8.66 | 12.8 | 11.8 | 6.7 | 4.2 | 1 | 0.4 | 6.8 | 0.3 |
| ASME B18.6.7M - M8 × 1.25 | 8 | 7.04 | 10 | 9.78 | 10.89 | 16.8 | 15.5 | 8.6 | 5.6 | 1.2 | 0.5 | 9.2 | 0.4 |
| ASME B18.6.7M - M10 × 1.5 | 10 | 8.86 | 13 | 12.72 | 14.16 | 21 | 19.3 | 10.7 | 7 | 1.4 | 0.6 | 11.2 | 0.4 |
| ASME B18.6.7M - M12 × 1.75 | 12 | 10.68 | 15 | 14.72 | 16.38 | 24.8 | 23.3 | 13.7 | 8.4 | 1.8 | 0.7 | 13.2 | 0.4 |
|
|||||||||||||