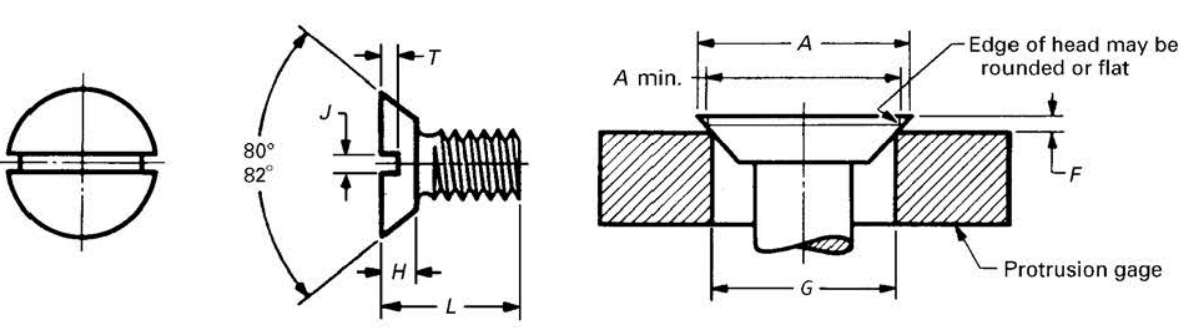
| Nominal Size or Basic Screw Diameter | Machine Screw Length, L | These Lengths or Shorter Are Undercut, L | Head Diameter, A | Head Height, H | Slot Width, J | Slot Depth, T | Protrusion Above Gaging Diameter, F | Gaging Diameter, G | ||||||
|---|---|---|---|---|---|---|---|---|---|---|---|---|---|---|
| Type A & AB Tapping Screws | Other Types of Tapping Screws | Max. | Min. | Max. | Min. | Max. | Min. | Max. | Min. | Max. | Min. | |||
| 0 - 0.0600 | 3.175 | 4.762 | 3.175 | 2.845 | 2.438 | 0.635 | 0.457 | 0.584 | 0.406 | 0.279 | 0.178 | - | - | - |
| 1 - 0.0730 | 3.175 | 4.762 | 3.969 | 3.480 | 3.048 | 0.787 | 0.584 | 0.660 | 0.483 | 0.356 | 0.229 | - | - | - |
| 2 - 0.0860 | 3.175 | 4.762 | 4.762 | 4.115 | 3.658 | 0.914 | 0.711 | 0.787 | 0.584 | 0.406 | 0.279 | 0.737 | 0.432 | 3.150 |
| 3 - 0.0990 | 3.175 | 5.556 | 5.556 | 4.750 | 4.242 | 1.067 | 0.838 | 0.889 | 0.686 | 0.483 | 0.305 | 0.787 | 0.457 | 3.759 |
| 4 - 0.1120 | 4.762 | 6.350 | 6.350 | 5.385 | 4.851 | 1.194 | 0.965 | 0.991 | 0.787 | 0.559 | 0.356 | 0.813 | 0.483 | 4.369 |
| 5 - 0.1250 | 4.762 | 6.350 | 6.350 | 6.020 | 5.461 | 1.346 | 1.092 | 1.092 | 0.889 | 0.610 | 0.406 | 0.864 | 0.508 | 4.978 |
| 6 - 0.1380 | 4.762 | 7.938 | 7.938 | 6.655 | 6.045 | 1.499 | 1.219 | 1.219 | 0.991 | 0.686 | 0.432 | 0.914 | 0.533 | 5.588 |
| 8 - 0.1640 | 6.350 | 11.112 | 11.112 | 7.925 | 7.239 | 1.778 | 1.473 | 1.372 | 1.143 | 0.813 | 0.533 | 0.991 | 0.584 | 6.782 |
| 10 - 0.1900 | 7.938 | 12.700 | 12.700 | 9.195 | 8.458 | 2.057 | 1.727 | 1.524 | 1.270 | 0.940 | 0.610 | 1.067 | 0.635 | 7.950 |
| 1/4 - 0.2500 | 11.112 | 15.875 | 15.875 | 12.116 | 11.227 | 2.718 | 2.337 | 1.905 | 1.626 | 1.270 | 0.813 | 1.270 | 0.737 | 10.770 |
| 5/16 - 0.3125 | 12.700 | 20.638 | 15.875 | 15.164 | 14.122 | 3.404 | 2.946 | 2.134 | 1.829 | 1.575 | 1.041 | 1.448 | 0.864 | 13.691 |
| 3/8 - 0.3750 | 14.288 | ... | 15.875 | 18.212 | 17.018 | 4.089 | 3.556 | 2.388 | 2.057 | 1.905 | 1.245 | 1.651 | 0.991 | 16.586 |
| Nominal Size or Basic Screw Diameter | Machine Screw Length, L | These Lengths or Shorter Are Undercut, L | Head Diameter, A | Head Height, H | Slot Width, J | Slot Depth, T | Protrusion Above Gaging Diameter, F | Gaging Diameter, G | ||||||
|---|---|---|---|---|---|---|---|---|---|---|---|---|---|---|
| Type A & AB Tapping Screws | Other Types of Tapping Screws | Max. | Min. | Max. | Min. | Max. | Min. | Max. | Min. | Max. | Min. | |||
| 0 - 0.0600 | 1/8 | 3/16 | 1/8 | 0.112 | 0.096 | 0.025 | 0.018 | 0.023 | 0.016 | 0.011 | 0.007 | - | - | - |
| 1 - 0.0730 | 1/8 | 3/16 | 5/32 | 0.137 | 0.120 | 0.031 | 0.023 | 0.026 | 0.019 | 0.014 | 0.009 | - | - | - |
| 2 - 0.0860 | 1/8 | 3/16 | 3/16 | 0.162 | 0.144 | 0.036 | 0.028 | 0.031 | 0.023 | 0.016 | 0.011 | 0.029 | 0.017 | 0.124 |
| 3 - 0.0990 | 1/8 | 7/32 | 7/32 | 0.187 | 0.167 | 0.042 | 0.033 | 0.035 | 0.027 | 0.019 | 0.012 | 0.031 | 0.018 | 0.148 |
| 4 - 0.1120 | 3/16 | 1/4 | 1/4 | 0.212 | 0.191 | 0.047 | 0.038 | 0.039 | 0.031 | 0.022 | 0.014 | 0.032 | 0.019 | 0.172 |
| 5 - 0.1250 | 3/16 | 1/4 | 1/4 | 0.237 | 0.215 | 0.053 | 0.043 | 0.043 | 0.035 | 0.024 | 0.016 | 0.034 | 0.020 | 0.196 |
| 6 - 0.1380 | 3/16 | 5/16 | 5/16 | 0.262 | 0.238 | 0.059 | 0.048 | 0.048 | 0.039 | 0.027 | 0.017 | 0.036 | 0.021 | 0.220 |
| 8 - 0.1640 | 1/4 | 7/16 | 7/16 | 0.312 | 0.285 | 0.070 | 0.058 | 0.054 | 0.045 | 0.032 | 0.021 | 0.039 | 0.023 | 0.267 |
| 10 - 0.1900 | 5/16 | 1/2 | 1/2 | 0.362 | 0.333 | 0.081 | 0.068 | 0.060 | 0.050 | 0.037 | 0.024 | 0.042 | 0.025 | 0.313 |
| 1/4 - 0.2500 | 7/16 | 5/8 | 5/8 | 0.477 | 0.442 | 0.107 | 0.092 | 0.075 | 0.064 | 0.050 | 0.032 | 0.050 | 0.029 | 0.424 |
| 5/16 - 0.3125 | 1/2 | 13/16 | 5/8 | 0.597 | 0.556 | 0.134 | 0.116 | 0.084 | 0.072 | 0.062 | 0.041 | 0.057 | 0.034 | 0.539 |
| 3/8 - 0.3750 | 9/16 | ... | 5/8 | 0.717 | 0.670 | 0.161 | 0.140 | 0.094 | 0.081 | 0.075 | 0.049 | 0.065 | 0.039 | 0.653 |