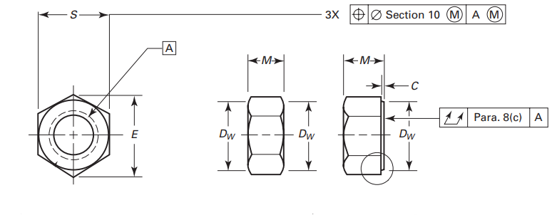
ASME B18.2.4.6M Metric Heavy Hex Nuts Standard covers the complete general and dimensional data for products in the metric series recognized as American National Standard for sizes M12 through M36. These four metric structural products include
| Nominal Dia. | Width Across Flats, S | Width Across Corners, E | Thickness, M | Bearing Face Dia., Dw | Washer Face Thickness, C | Total Runout of Bearing Surface FIM | ||||
|---|---|---|---|---|---|---|---|---|---|---|
| Max. | Min. | Max. | Min. | Max. | Min. | Min. | Max. | Min. | Max. | |
| M12 | 21.00 | 20.16 | 24.25 | 22.78 | 12.3 | 11.9 | 19.2 | 0.8 | 0.4 | 0.38 |
| M14 | 24.00 | 23.16 | 27.71 | 26.17 | 14.3 | 13.6 | 22.0 | 0.8 | 0.4 | 0.42 |
| M16 | 27.00 | 26.16 | 31.18 | 29.56 | 17.1 | 16.4 | 24.9 | 0.8 | 0.4 | 0.47 |
| M20 | 34.00 | 33.00 | 39.26 | 37.29 | 20.7 | 19.4 | 31.4 | 0.8 | 0.4 | 0.58 |
| M22 | 36.00 | 35.00 | 41.57 | 39.55 | 23.6 | 22.3 | 33.3 | 0.8 | 0.4 | 0.63 |
| M24 | 41.00 | 40.00 | 47.34 | 45.20 | 24.2 | 22.9 | 38.0 | 0.8 | 0.4 | 0.72 |
| M27 | 46.00 | 45.00 | 53.12 | 50.85 | 27.5 | 26.3 | 42.8 | 0.8 | 0.4 | 0.80 |
| M30 | 50.00 | 49.00 | 57.74 | 55.37 | 30.7 | 29.1 | 45.6 | 0.8 | 0.4 | 0.87 |
| M36 | 60.00 | 58.80 | 69.28 | 66.44 | 36.6 | 35.0 | 55.9 | 0.8 | 0.4 | 1.05 |
| M42 | 70.00 | 67.90 | 80.83 | 77.41 | 42.0 | 40.4 | 64.5 | 1.0 | 0.5 | 1.22 |
| M48 | 80.00 | 77.60 | 92.38 | 88.46 | 48.0 | 46.4 | 73.7 | 1.0 | 0.5 | 1.40 |
| M56 | 90.00 | 87.20 | 103.92 | 99.41 | 56.0 | 54.1 | 82.8 | 1.0 | 0.5 | 1.57 |
| M64 | 100.00 | 96.80 | 115.47 | 110.35 | 64.0 | 62.1 | 92.0 | 1.0 | 0.5 | 1.75 |
| M72 | 110.00 | 106.40 | 127.02 | 121.30 | 72.0 | 70.1 | 101.1 | 1.2 | 0.6 | 1.92 |
| M80 | 120.00 | 116.00 | 138.56 | 132.24 | 80.0 | 78.1 | 110.2 | 1.2 | 0.6 | 2.09 |
| M90 | 135.00 | 130.50 | 155.88 | 148.77 | 90.0 | 87.8 | 124.0 | 1.2 | 0.6 | 2.36 |
| M100 | 150.00 | 145.00 | 173.21 | 165.30 | 100.0 | 97.8 | 137.8 | 1.2 | 0.6 | 2.62 |
ASTM A563M Carbon and Alloy
Steel Nuts [Metric]
ASTM F467M Nonferrous Nuts for
General Use [Metric]
ASTM F836M
Style 1 Stainless Steel Metric Nuts
ISO 4032 Hexagon Nuts,
Style 1 - Product Grades A
and B
ASTM A194/ASTM A194M Nuts
ASTM
A1014/A1014M UNS N07718 Bolting, Stud Bolts, Screws, Nuts
ASTM
A1082/A1082M Bolting, Stud Bolts, Screws, Nuts
ASTM
A453/A453M Bolting, Stud Bolts, Screws, Nuts
ASTM
F1554 Anchor Bolts, Anchor Rods
ASTM
F3111 Heavy Hex Bolts, Nuts, Washers
ASTM
F432 Roof Rock Bolts, Screws, Threaded
ASTM
F901 Aluminium Transmission Tower Bolts
ISO 898-2 Nuts
ISO 3506-2 Nuts
EN 10269 Bolting Fasteners, Bolting, Stud Bolts, Screws, Nuts, Washers