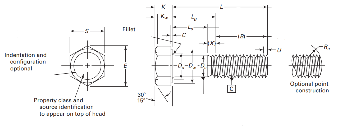
| Nominal Diameter, D | Body Diameter, Ds | Width Across Flats, S | Width Across Corners, E | Head Height, K | Wrenching Height, Kw | Washer Face Thickness, C | Washer Face Diameter, Dw | Runout of Bearing Surface FIM | Fillet Transition Diameter | Fillet Length | Fillet Radius, R | Shoulder Diameter, Ds | Body Diameter, Dsi | Shoulder Length, Lsh | Point Radius, Re Approx. | Point Length, U Max. | Thread Length, B (Ref.) | ||||||||||||
|---|---|---|---|---|---|---|---|---|---|---|---|---|---|---|---|---|---|---|---|---|---|---|---|---|---|---|---|---|---|
| Max. | Min. | Max. | Min. | Max. | Min. | Max. | Min. | Min. | Max. | Min. | Min. | Max. | For Short Screws, Da1 Min. | For Short and Long Screws, Da Max. | For Short Screws, F1 Max. | For Long Screws, F Max. | For Short and Long Screws Min. | Max. | Min. | Max. | Min. | Max. | Min. | Screw Lengths ≤ 125 | Screw Lengths > 125 and ≤ 200 | Screw Lengths > 200 | |||
| M5 | 5.00 | 4.82 | 8.00 | 7.64 | 9.24 | 8.56 | 3.65 | 3.35 | 2.4 | 0.5 | 0.2 | 6.9 | 0.22 | 5.1 | 5.7 | 0.7 | 1.2 | 0.2 | 5.00 | 4.82 | 4.46 | 4.36 | 3.5 | 2.5 | 7.0 | 1.60 | 16 | 22 | 35 |
| M6 | 6.00 | 5.82 | 10.00 | 9.64 | 11.55 | 10.80 | 4.15 | 3.85 | 2.0 | 0.5 | 0.2 | 8.9 | 0.25 | 6.2 | 6.8 | 0.9 | 1.4 | 0.3 | 6.00 | 5.82 | 5.39 | 5.21 | 4.0 | 3.0 | 8.4 | 2.00 | 18 | 24 | 37 |
| M8 | 8.00 | 7.78 | 13.00 | 12.57 | 15.01 | 14.08 | 5.50 | 5.10 | 3.7 | 0.6 | 0.3 | 11.6 | 0.28 | 8.3 | 9.2 | 1.1 | 2.0 | 0.4 | 8.00 | 7.78 | 7.26 | 7.04 | 5.0 | 4.0 | 11.2 | 2.50 | 22 | 28 | 41 |
| M10 | 10.00 | 9.78 | 15.00 | 14.57 | 17.32 | 16.32 | 6.63 | 6.17 | 4.5 | 0.6 | 0.3 | 13.6 | 0.31 | 10.2 | 11.2 | 1.2 | 2.0 | 0.4 | 10.00 | 9.78 | 9.08 | 8.86 | 6.0 | 5.0 | 14.0 | 3.00 | 26 | 32 | 45 |
| M12 | 12.00 | 11.73 | 18.00 | 17.57 | 20.78 | 19.68 | 7.76 | 7.24 | 5.2 | 0.6 | 0.3 | 16.6 | 0.35 | 12.2 | 13.7 | 1.3 | 3.0 | 0.6 | 12.00 | 11.73 | 10.95 | 10.68 | 7.0 | 6.0 | 16.8 | 3.50 | 30 | 36 | 49 |
| M14 | 14.00 | 13.73 | 21.00 | 20.16 | 24.25 | 22.58 | 9.09 | 8.51 | 6.2 | 0.6 | 0.3 | 19.6 | 0.39 | 14.1 | 15.7 | 1.4 | 3.0 | 0.6 | 14.00 | 13.73 | 12.77 | 12.50 | 8.0 | 7.0 | 19.6 | 4.00 | 34 | 40 | 53 |
| M16 | 16.00 | 15.73 | 24.00 | 23.16 | 27.71 | 25.94 | 10.32 | 9.68 | 7.0 | 0.8 | 0.4 | 22.5 | 0.43 | 16.5 | 17.7 | 1.6 | 3.0 | 0.6 | 16.00 | 15.73 | 14.77 | 14.50 | 9.0 | 8.0 | 22.4 | 4.00 | 38 | 44 | 57 |
| M20 | 20.00 | 19.67 | 30.00 | 29.16 | 34.64 | 32.66 | 12.88 | 12.12 | 8.8 | 0.8 | 0.4 | 27.7 | 0.53 | 20.7 | 22.4 | 2.1 | 4.0 | 0.8 | 20.00 | 19.67 | 18.49 | 18.16 | 11.0 | 10.0 | 28.0 | 5.00 | 46 | 52 | 65 |
| M24 | 24.00 | 23.67 | 36.00 | 35.00 | 41.57 | 39.20 | 15.44 | 14.46 | 10.5 | 0.8 | 0.4 | 33.2 | 0.63 | 24.5 | 26.4 | 2.3 | 4.0 | 0.8 | 24.00 | 23.67 | 22.13 | 21.80 | 13.0 | 12.0 | 33.6 | 6.00 | 54 | 60 | 73 |
| Nominal Length, L | M5 x 0.8 | M6 x 1 | M8 x 1.25 | M10 x 1.5 | M12 x 1.75 | M14 x 2 | M16 x 2 | M20 x 2.5 | M24 x 3 | |||||||||
|---|---|---|---|---|---|---|---|---|---|---|---|---|---|---|---|---|---|---|
| Lg Max. |
Ls Min. |
Lg Max. |
Ls Min. |
Lg Max. |
Ls Min. |
Lg Max. |
Ls Min. |
Lg Max. |
Ls Min. |
Lg Max. |
Ls Min. |
Lg Max. |
Ls Min. |
Lg Max. |
Ls Min. |
Lg Max. |
Ls Min. |
|
| 8 | Full Thread | Full Thread | Full Thread | Full Thread | Full Thread | Full Thread | Full Thread | Full Thread | Full Thread | |||||||||
| 10 | Full Thread | Full Thread | Full Thread | Full Thread | Full Thread | Full Thread | Full Thread | Full Thread | Full Thread | |||||||||
| 12 | Full Thread | Full Thread | Full Thread | Full Thread | Full Thread | Full Thread | Full Thread | Full Thread | Full Thread | |||||||||
| 14 | Full Thread | Full Thread | Full Thread | Full Thread | Full Thread | Full Thread | Full Thread | Full Thread | Full Thread | |||||||||
| 16 | Full Thread | Full Thread | Full Thread | Full Thread | Full Thread | Full Thread | Full Thread | Full Thread | Full Thread | |||||||||
| 20 | Full Thread | Full Thread | Full Thread | Full Thread | Full Thread | Full Thread | Full Thread | Full Thread | Full Thread | |||||||||
| 25 | 5.0 | 9.0 | Full Thread | Full Thread | Full Thread | Full Thread | Full Thread | Full Thread | Full Thread | Full Thread | ||||||||
| 30 | 10.0 | 14.0 | 7.0 | 12.0 | Full Thread | Full Thread | Full Thread | Full Thread | Full Thread | Full Thread | Full Thread | |||||||
| 35 | 15.0 | 19.0 | 12.0 | 17.0 | Full Thread | Full Thread | Full Thread | Full Thread | Full Thread | Full Thread | Full Thread | |||||||
| 40 | 20.0 | 24.0 | 17.0 | 22.0 | 11.8 | 18.0 | Full Thread | Full Thread | Full Thread | Full Thread | Full Thread | Full Thread | ||||||
| 45 | 25.0 | 29.0 | 22.0 | 27.0 | 16.8 | 23.0 | 11.5 | 19.0 | Full Thread | Full Thread | Full Thread | Full Thread | Full Thread | |||||
| 50 | 30.0 | 34.0 | 27.0 | 32.0 | 21.8 | 28.0 | 16.5 | 24.0 | 11.2 | 20.0 | Full Thread | Full Thread | Full Thread | Full Thread | ||||
| 55 | 32.0 | 37.0 | 26.8 | 33.0 | 21.5 | 29.0 | 16.2 | 25.0 | Full Thread | Full Thread | Full Thread | Full Thread | ||||||
| 60 | 37.0 | 42.0 | 31.8 | 38.0 | 26.5 | 34.0 | 21.2 | 30.0 | 16.0 | 26.0 | Full Thread | Full Thread | Full Thread | |||||
| 65 | 36.8 | 43.0 | 31.5 | 39.0 | 26.2 | 35.0 | 21.0 | 31.0 | 17.0 | 27.0 | Full Thread | Full Thread | ||||||
| 70 | 41.8 | 48.0 | 36.5 | 44.0 | 31.2 | 40.0 | 26.0 | 36.0 | 22.0 | 32.0 | Full Thread | Full Thread | ||||||
| 80 | 51.8 | 58.0 | 46.5 | 54.0 | 41.2 | 50.0 | 36.0 | 46.0 | 32.0 | 42.0 | 21.5 | 34.0 | Full Thread | |||||
| 90 | 56.5 | 64.0 | 51.2 | 60.0 | 46.0 | 56.0 | 42.0 | 52.0 | 31.5 | 44.0 | 21.0 | 36.0 | ||||||
| 100 | 66.5 | 74.0 | 61.2 | 70.0 | 56.0 | 66.0 | 52.0 | 62.0 | 41.5 | 54.0 | 31.0 | 46.0 | ||||||
| 110 | 71.2 | 80.0 | 66.0 | 76.0 | 62.0 | 72.0 | 51.5 | 64.0 | 41.0 | 56.0 | ||||||||
| 120 | 81.2 | 90.0 | 76.0 | 86.0 | 72.0 | 82.0 | 61.5 | 74.0 | 51.0 | 66.0 | ||||||||
| 130 | 80.0 | 90.0 | 76.0 | 86.0 | 65.5 | 78.0 | ||||||||||||
| 140 | 90.0 | 100.0 | 86.0 | 96.0 | 75.5 | 88.0 | ||||||||||||
| 150 | 96.0 | 106.0 | 85.5 | 98.0 | ||||||||||||||
| Nominal Length | Nominal Diameter | |||||||||
|---|---|---|---|---|---|---|---|---|---|---|
| Over | Thru | M5 | M6 | M8 | M10 | M12 | M14 | M16 | M20 | M24 |
| 6 | 10 | ±0.29 | ±0.29 | ±0.29 | ±0.29 | . . . | . . . | . . . | . . . | . . . |
| 10 | 18 | ±0.35 | ±0.35 | ±0.35 | ±0.35 | ±0.35 | ±0.35 | ±0.35 | ±0.35 | ±0.35 |
| 18 | 30 | ±0.42 | ±0.42 | ±0.42 | ±0.42 | ±0.42 | ±0.42 | ±0.42 | ±0.42 | ±0.42 |
| 30 | 50 | ±0.50 | ±0.50 | ±0.50 | ±0.50 | ±0.50 | ±0.50 | ±0.50 | ±0.50 | ±0.50 |
| 50 | 60 | ±1.50 | ±0.60 | ±0.60 | ±0.60 | ±0.60 | ±0.60 | ±0.60 | ±0.60 | ±0.60 |
| 60 | 80 | ±1.50 | ±1.50 | ±0.60 | ±0.60 | ±0.60 | ±0.60 | ±0.60 | ±0.60 | ±0.60 |
| 80 | 100 | ±1.75 | ±1.75 | ±1.75 | ±0.70 | ±0.70 | ±0.70 | ±0.70 | ±0.70 | ±0.70 |
| 100 | 120 | ±1.75 | ±1.75 | ±1.75 | ±1.75 | ±0.70 | ±0.70 | ±0.70 | ±0.70 | ±0.70 |
| 120 | 140 | ±2.00 | ±2.00 | ±2.00 | ±2.00 | ±2.00 | ±0.80 | ±0.80 | ±0.80 | ±0.80 |
| 140 | 150 | ±2.00 | ±2.00 | ±2.00 | ±2.00 | ±2.00 | ±2.00 | ±0.80 | ±0.80 | ±0.80 |
| 150 | 180 | ±2.00 | ±2.00 | ±2.00 | ±2.00 | ±2.00 | ±2.00 | ±2.00 | ±2.00 | ±2.00 |
| 180 | 250 | ±2.30 | ±2.30 | ±2.30 | ±2.30 | ±2.30 | ±2.30 | ±2.30 | ±2.30 | ±2.30 |
| 250 | 315 | ±2.60 | ±2.60 | ±2.60 | ±2.60 | ±2.60 | ±2.60 | ±2.60 | ±2.60 | ±2.60 |
| 315 | 400 | ±2.85 | ±2.85 | ±2.85 | ±2.85 | ±2.85 | ±2.85 | ±2.85 | ±2.85 | ±2.85 |
| 400 | 500 | ±3.15 | ±3.15 | ±3.15 | ±3.15 | ±3.15 | ±3.15 | ±3.15 | ±3.15 | ±3.15 |